S系列噴嘴頭 T系列噴嘴頭
 |
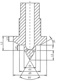
SS型噴嘴頭示意圖及尺寸
| 型號 |
|
L2 |
L3 |
L4 |
L5 |
dx |
d4 |
d5 |
| SS |
33系列 |
16 |
4 |
6.8 |
13.0 |
15 |
20 |
38 |
| SS |
27系列 |
14 |
4 |
6.2 |
11.3 |
13 |
18 |
31 |
| SS |
22系列 |
12 |
4 |
5.1 |
10.4 |
12 |
16 |
26 |
| SS |
19系列 |
10 |
4 |
3.1 |
8.7 |
10 |
13 |
23 |
| SS |
16系列 |
8 |
4 |
1.7 |
6.9 |
8 |
11 |
19 |
|
 |
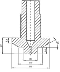
PS型噴嘴頭示意圖及尺寸
| 型號 |
|
L2 |
L3 |
L4 |
dx |
d4 |
d5 |
| PS |
33系列 |
20 |
4 |
10.8 |
15 |
20 |
38 |
| PS |
27系列 |
18 |
4 |
10.2 |
13 |
18 |
31 |
| PS |
22系列 |
16 |
4 |
9.1 |
12 |
16 |
26 |
| PS |
19系列 |
14 |
4 |
7.1 |
10 |
13 |
23 |
| PS |
16系列 |
12 |
4 |
5.7 |
8 |
11 |
19 |
|
 |
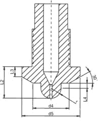
CS型噴嘴頭示意圖及尺寸
| 型號 |
|
L2 |
L3 |
L4 |
r |
d4 |
d5 |
| CS |
33系列 |
25 |
4 |
8.3 |
7.5 |
20 |
38 |
| CS |
27系列 |
22 |
4 |
7.5 |
6.5 |
17 |
31 |
| CS |
22系列 |
20 |
4 |
7.3 |
5.5 |
15 |
26 |
| CS |
19系列 |
18 |
4 |
6.1 |
5 |
13 |
23 |
| CS |
16系列 |
16 |
4 |
5.5 |
4.5 |
12 |
19 |
|
T系列噴嘴頭
 |
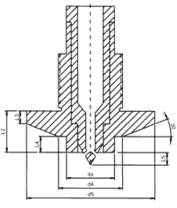
ST型噴嘴頭示意圖及尺寸
| 型號 |
|
L2 |
L3 |
L4 |
L5 |
dx |
d4 |
d5 |
| ST |
33系列 |
16 |
4 |
6.8 |
8 |
15 |
20 |
38 |
| ST |
27系列 |
14 |
4 |
6.0 |
7 |
13 |
17 |
31 |
| ST |
22系列 |
12 |
4 |
5.1 |
6 |
12 |
16 |
26 |
|
 |
PT型噴嘴頭示意圖及尺寸
| 型號 |
|
L2 |
L3 |
L4 |
dx |
d4 |
d5 |
| PT |
33系列 |
20 |
4 |
10.8 |
15 |
20 |
38 |
| PT |
27系列 |
18 |
4 |
10.5 |
13 |
18 |
30 |
| PT |
22系列 |
16 |
4 |
9.1 |
12 |
16 |
26 |
|
 |
CT型噴嘴頭示意圖及尺寸
| 型號 |
|
L2 |
L3 |
r |
L4 |
d4 |
d5 |
| CT |
33系列 |
21 |
4 |
7.5 |
4.3 |
20 |
38 |
| CT |
27系列 |
18 |
4 |
6.5 |
3.5 |
17 |
31 |
| CT |
22系列 |
15 |
4 |
5.5 |
2.3 |
15 |
26 |
|
作者:中國塑料機(jī)械網(wǎng) 來源:中國塑料機(jī)械網(wǎng)信息中心
相關(guān)文章
|
|
|