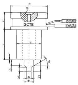
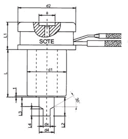
pf型噴嘴頭示意圖及尺寸
 |
 |
| 主澆口 |
分澆口 |
圖中兩種結(jié)構(gòu)分別為主澆口和分澆口,
其區(qū)別在于進(jìn)料口處的安裝結(jié)構(gòu)。有r
者為主澆口,以ø表示凹槽者為分澆口。
該凹槽用于放置o型密封圈。
| |
型號 |
l |
l1 |
l2 |
l3 |
dx |
d1 |
d2 |
d3 |
最大注射量(克) |
| 低粘度材料 |
中粘度材料 |
高粘度材料 |
| 13系列 |
psm13095,psb13095 |
95 |
24 |
9.2 |
8 |
8 |
25.4 |
35 |
12 |
100 |
70 |
40 |
| psm13070,psb13070 |
69 |
24 |
9.2 |
8 |
8 |
25.4 |
35 |
12 |
| psm13030,psb13030 |
31 |
24 |
9.2 |
8 |
8 |
25.4 |
35 |
12 |
| 10系列 |
psm10045,psb10045 |
45 |
22 |
5.9 |
5 |
5 |
16 |
25 |
8 |
50 |
35 |
20 |
| psm10035,psb10035 |
33 |
22 |
5.9 |
5 |
5 |
16 |
25 |
8 |
| psm10020,psb10020 |
20 |
22 |
5.9 |
5 |
5 |
16 |
25 |
8 |
作者:中國塑料機(jī)械網(wǎng) 來源:中國塑料機(jī)械網(wǎng)信息中心
相關(guān)文章